基于DSP/FPGA高精度测量系统中多电源可靠性设计
2008-05-07
作者:单文锋, 张东来, 秦海亮, 王
摘 要: 介绍了一种高精度测量系统" title="测量系统">测量系统中数字电路部分的电源设计" title="电源设计">电源设计。在设计中,采用了高效率的同步电压转换芯片提供稳定的DSP、Flash和FPGA内核电压和外围I/O" title="I/O">I/O电压,同时用两种方法保证了内核和外围I/O电压加电的顺序问题,并通过电压监控" title="电压监控">电压监控和复位电路" title="复位电路">复位电路同时监控1.2V、1.5V和3.3V电压,以确保供电系统的稳定、可靠和高效。
关键词: DSP/FPGA 加电顺序 DC/DC电源芯片 电压监控
由于高精度测量系统工作频率高,数据处理量大,功耗也相对较高,而供电系统的好坏直接影响到系统的稳定性和系统的精度,所以设计高效率、高可靠性的供电系统具有极其重要的现实意义。本文主要叙述了一个实际高精度测量系统的电源设计。
1 DSP和FPGA的电源要求
系统采用Altera公司的Cyclone系列EPIC12型号FPGA和TI公司的TMS320C6713B型号DSP均需要两种电源[1~2]:外围I/O电压为3.3V及内核电压分别为1.5V和1.2V。因此必须考虑它们的配合问题:(1)在加电过程中,要保证内核先得到供电,外围I/O后得到供电,内核最晚也应该与周边I/O接口电源同时加电。否则可能会导致DSP和FPGA的输出端出现大电流,这将大大影响器件的使用寿命,甚至损坏器件。(2)在关闭电源时,内核最晚也应当与周边I/O接口电源同时掉电,而且应该先关闭I/O接口电源,再关内核电源。本文主要利用TI公司的TPS5431×系列产品来产生1.2V、1.5V和3.3V电压[3]。
系统各个电源转换芯片统一由蓄电池供电。电源模块在用蓄电池加电时,其电压上升过程中与达到稳定状态前可能出现较严重的波动。而DSP和FPGA在上电过程中如果电压波动较大,加载可能失败并导致后续加载操作异常[4]。为了保证加载成功,不会产生不受控制的状态,所以在系统中加入了电压监控和复位电路,以确保DSP和FPGA芯片在系统加电过程中始终处于复位状态,直到电压达到所要求的电平。同时,一旦电源的电压降到阈值以下,强制芯片进入复位状态,确保系统稳定地工作。因为系统用6V蓄电池供电,所以电压不会超过6V,只需进行欠压监控[5]。
2 电源系统设计
系统中存在模拟电路和数字电路供电。本文重点介绍数字电路电源部分。
本设计采用TPS5431×系列电压转换芯片设计数字电源系统,分别产生DSP和PFGA的内核和外围电压以及+5V电压。TPS5431×系列是低电压输入、大电流输出的同步PWM Buck降压式电压转换器,其电路外围器件少,60mΩ的MOSFET开关管保证了在持续3A的输出电流时超过92%高效率;输出电压有0.9V、1.2V、1.5V、1.8V、2.5V、3.3V可选,初始误差为1%;PWM频率范围从280~700kHz;通过峰值电流限制和热关断实现过载保护;加强散热型的PWP封装为芯片提供了更好的散热;综合解决了电路板面积和成本[3]。
2.1内核电压的产生
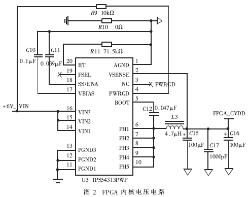
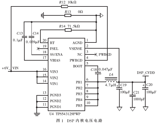
本部分主要是为TMS320C6713B和EPIC12设计内核供电系统,其内核电压分别为1.2V和1.5V,分别用TPS54312和TPS54313来产生,具体电路如图1、图2所示。为了满足供电顺序的要求,图1、图2中的PWRGD接到图3中的SS/ENA脚。
参数的选取:芯片的开关频率设为700kHz,为此,需要保持FSEL脚开路并在RT脚和AGND脚之间串联71.5kΩ的电阻;输出滤波电感的取值范围在4.7~10μH之间,本文选用4.7μH的贴片电感;SS/ENA脚通过一个低容值电容接地,其功能为使能、输出延迟和电压上升延迟。其中延迟时间和电容值成正比,近似为:

式中: td为输出延迟时间(秒);C(SS)为SS/ENA脚所接电容(F);t(SS)为输出电压上升延迟时间(秒)。
本设计内核电压电路中,C(SS)=0.039μF,根据式(1)、式(2)可得td、t(SS)分别为9.36ms和5.46ms。
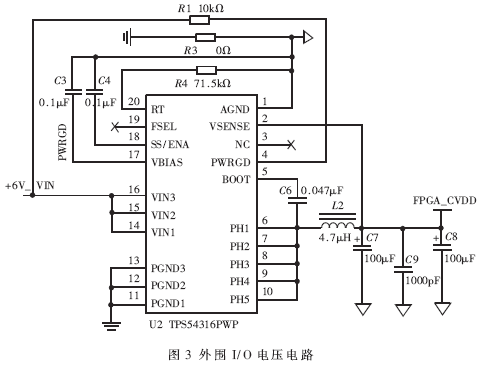
2.2 外围电压的产生及供电顺序的实现
利用TPS54316来产生3.3V的输出电压。外围器件参数的选取除SS/ENA脚处的电容外,其余与内核电压电路相同。外围I/O电压电路如图3所示。
为了实现内核和周边I/O接口的电源供电顺序,本文采取调整SS/ENA脚处的电容值和利用TPS5431×中的PWRGD和SS/ENA信号来控制的方法。一方面,在外围电压电路中选取C(SS)=0.1μF,根据式(1)、式(2)得td、t(SS)分别为24ms和14ms。在加电时,内核比外围早加电约23ms。另一方面,即使电容被击穿,在加电起始,由于TPS54312和TPS54313输出为未达到阈值(正常值的95%),PWRGD(信号)输出低电平,TPS54316处于关闭状态,直至内核电压稳定。这样就保证了内核先加电;在关闭电源时,由于TPS54312和TPS54313输出低于阈值,PWRGD信号输出低电平,关断TPS54316,保证了外围I/O先掉电,实验测得外围I/O早掉电10ms左右。由此可见,从两方面都满足了供电顺序的要求[6]。上电过程及掉电过程实验波形分别如图4、图5所示。
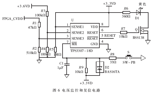
2.3 电压监控和复位电路
电压监控和复位电路采用TI公司的TPS3307-18D来实现。TPS3307-18D是一种微处理器电源监控芯片,其特点是可同时输出高电平有效和低电平有效的复位信号,可同时监控三个独立的电压:3.3V/1.8V/可调电压(其对应的门限值分别为2.93V/1.68V/1.25V)。由于系统中的DSP、FPGA和Flash存储器的复位信号都是低电平有效,所以用TPS3307-18D的
信号来实现复位,用
信号完成复位指示功能,对系统中的3.3V、1.5V和1.2V(放大到3.6V)三个电压进行监控。电压监控和复位电路如图6所示。
只要其自身的供电电压在2V以上,并且被监控的三个电压中有一个低于其门限值时,就可以保证输出有效的RESET信号;当三个电压的值都高于门限值前,复位信号则一直有效。另外,芯片还有一个手动复位信号,通过复位按扭可以方便地进行手动复位。
实验测试结果表明,该电源系统能可靠地为本测量系统提供稳定的电源,并具有动态响应快(25ms)、功率大(最高可达18W)、转换效率高(达到93%)、输出电压波纹小(0.05V)及电压调整率好(0.1%)的特点。然而电源波动和上电顺序所造成的电路上电失败故障,只是涉及电源可靠性的一个方面,因此本文所举的实际应用例子可能并不适合于各种情况,其目的在于提醒设计人员在有关电源设计中可能存在的隐患,以供参考。
参考文献
1 TI公司.TMS320C6713, Floating-point digital signal proces-sors datasheet. 2004
2 Altera公司.EP1C12, Cyclone FPGA family datasheet. 2005
3 TI公司.TPS5431×, 3V To 6V input 3A output synchronous-buck PWM SWIFTTM Datasheet. 2005
4 王 科.多电源电路的可靠性设计.电子工程专辑,2005;(12)
5 Chong J, Scolio J. 高可靠系统的电源电压监控和定序.电子产品世界,2005;(1):91~95
6 段荣行.孙懋珩.DSP应用系统的电源设计.电子产品世界,2003;(5):39~41





