基于PIC单片机的三相正弦波变频电源的设计
2008-07-09
作者:张华林1,2
摘 要: 提出了一种基于PIC单片机设计的三相正弦波" title="正弦波">正弦波变频电源" title="变频电源">变频电源。样机实践证明,该电源切实可行、成本低廉,且具有输出频率可调、缺相保护、过流保护、不平衡保护等特点。
关键词: 单片机 三相 PWM 变频
三相逆变控制" title="逆变控制">逆变控制常用的方式有三种:一是基于可编程逻辑器件的对称规则采样法,产生SPWM信号以实现逆变控制;二是利用DSP芯片产生SPWM信号以实现逆变控制;三是用专用芯片配合微处理器产生SPWM信号实现逆变控制。上述三种方法有一个共同缺点,就是实现成本高。本文提出一种新的利用单路PWM实现三相逆变控制的设计方法,这种方法充分利用单片机的片内资源,而且各种参数的取样显示和各种保护功能都尽可能利用软件实现,大幅度节约了系统成本。
1 设计原理
设以T为周期的周期信号v(t)为奇函数,即v(t±T)=-v(t);且v(t)为奇谐函数,即v(t±
)=-v(t),其波形图如图1所示,则该信号傅里叶级数的an项为零,bn的偶数项亦为零。由图1可知,脉冲波形前半周期的表达式为:
由上述分析可知,图1信号中主要成份为基波,而高次谐波是五次、七次、十一次等,消除了对逆变输出波形影响较大的3k次谐波,且各高次谐波的幅值相比基波幅值很小。故而只需设计实现图1所示的波形图,再加上滤波器,滤除高次谐波,即可获得正弦波。本文正是基于这一原理设计三相正弦波变频电源。

该系统的控制核心采用美国Microchip公司的PIC16F877A单片机,由单片机控制三相桥式逆变电路的工作状态,单片机检测输出线电压" title="线电压">线电压并调整三相桥式逆变电路以维持恒定的输出线电压;单片机检测三路线电流,并由此判断是否进行过流保护、缺相保护、三相不平衡保护;通过键盘由单片机调整设定输出正弦波的频率,且由数码管显示当前负载工作电压、电流、频率、功率等参数。
2.2电路设计
整个系统硬件电路图如图3~图5所示(图中的器件参数均为输出36V线电压,1A电流而设计)。图3中直流电源电路为各模块供电。图3中输出电压取样电路由变压器对输出线电压降压后再整流、滤波实现,该电路产生信号送往单片机,单片机根据此信号判断并调整输出电压(调整PWM信号的占空比)。图3中输出电流取样模块(共三组)利用交流互感器感应出输出电流的千分之一,经取样电阻转换为交流电压,再经整流、滤波、放大后送入单片机,单片机根据此输入信号判断输出电流大小,并由此决定对电路是否进行过流保护、缺相保护和不平衡保护等。
图4是单片机电路。单片机判断到电路工作异常后则控制逆变电源输入保护控制电路,使其断开继电器,逆变电路输出为0,进入保护状态;图4中单片机显示电路显示系统各种测量值,按键可设定逆变输出电压的频率、显示数值类型(如电流、电压、频率、功率)。
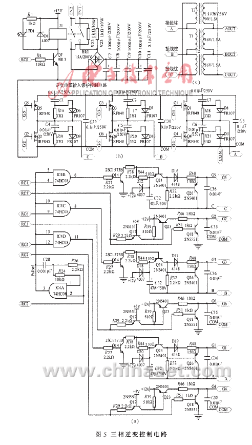
三相逆变控制是本硬件设计的核心电路。图5是三相逆变控制电路。图5(a)用来产生三相逆变控制电路图5(b)六个晶体管所需的控制信号。G1、G3、G5控制信号产生原理一致,G2、G4、G6控制信号产生原理一致。G1控制过程如下:单片机RC2引脚产生的PWM信号经与门延时,在RC4的控制之下加到Q14,当Q14基极为低电平时,Q14截止,Q24截止,Q26导通" title="导通">导通,加在晶体管Q1的栅、源极的电位近似相等,Q1截止;当Q14基极为高电平时,Q14导通,Q24导通,Q26截止,在电解电容C32的自举下,加在晶体管Q1的栅、源极的电位差为12V,使Q1导通。G2控制过程如下:当RC5为高电平时,Q17、Q23截止,Q18导通,晶体管Q2栅极为低电平,Q2截止;当RC5为低电平时,Q17、Q23导通,Q18截止,晶体管Q2栅、源极电位差为12V,Q2导通。在单片机的控制下,可产生图5(b)的Q1~Q6晶体管的时序信号波形,其具体时序波形如图6中的G1~G6波形。
图5(b)中的功率开关管为降低成本选用场效应管,未用IGBT,同样可获得良好的控制效果。该电路采用2?仔/3导通方式,Q1~Q6在一周期内有六种不同导电模式,如表1所示。其对应的相电压和线电压波形如图6所示。

六个开关功率管输出的三相信号波形除基波外,还包含五次、七次等高次谐波。故而再加上图5(c),该电路是输出隔离变压器,具有扼流作用,可滤除部分高次谐波,在隔离变压器输出端可获得失真较小的正弦波。
3 软件设计
本系统软件采用散转结构模块化设计,所有控制量集中处理,并在RAM中建立各控制量的映射,以便各功能模块的编程及修改。软件主程序框图如图7所示。为节约篇幅略去中断服务程序框图、按键扫描显示程序框图、频率设定模块程序图、保护处理模块程序图、正常工作模块程序框图。

为提高系统稳定性,在软件上采取了诸多措施,如软件冗余、软件陷阱、看门狗等。
4 结果讨论
本设计的样机测试结果如下:输出相电压、线电压能随输入电压(198~242V)的不同而自动调节,各相绝对值误差均小于5%,输出频率可在20~100Hz范围内预设或连续调整(步进1Hz),实际输出频率误差小于0.2%,各相输出正弦波失真度小于6%,各种保护和显示功能正常。
可见本设计是切实可行的,只需稍加改进便可应用于三相UPS中。本设计有广泛的推广应用前景。
参考文献
[1] 张燕宾.SPWM变频调速应用技术[M].北京:机械工业出版社,2002.
[2] 窦振中,汪立森.PIC系列单片机应用设计与实例[M].北京:北京航空航天大学出版社,1999.










