TPS2480/81是具有正电压智能保护的热插拔控制器和I2C电流监视器。具有可编程的FET功率限制,外接N沟FET栅极驱动,可编程的故障定时器,电流、电压和功率的I2C监视,1%的高精度电流监视,并具有动态校准,输入电压9V~20V,主要用在服务器、硬盘驱动、存储网络和基站。
TPS2480/81带有正电压智能保护器件的热插拔控制器和I2C电流监视器。TPS2480/81设计用于将应用内的浪涌降至非常低的水平,保护负载和FET免遭过流或短路事件的损害。它们控制外部N沟道MOSFET开关,通过I2C接口、利用可配置12位A/D转换器实现准确的电压、电流和功率监视。独立可调功率限制和电流限制可以保证,外部MOSFET在FET的安全工作区(SOA)内运行。
灵活的设计包含1个可用于定序和负载故障指示的电源良好输出。外部定时器电容器可以设置故障时间,以便在发生瞬变事件时让系统免遭危险停机的影响。

图1 TPS2480/81功能方框图

图2 TPS2480/81功能方框图(2)
TPS2480/81主要特性
• 可编程FET功率限制
• 外接N沟FET栅极驱动
• 可编程故障定时器
• 开漏电源良好输出
• 电流、电压和功率的I2C监视
• 高精度电流监视(精度为1%)
• 动态校准
• 输入电压范围:9V-20V

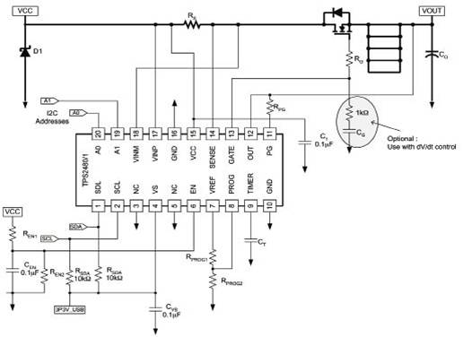
图3 TPS2480/81低压应用电路图

图4 TPS2480/81高压应用电路图
TPS2480/81应用
• 服务器
• 硬盘驱动
• 存储网络
• 基站
TPS2480/81评估模块
EVM设计实现了几种常见的应用设计:具有锁存或自动重试功能的12V系统和具有锁存或自动重试功能的48V系统。12V版采用Texas Instruments新型高性能功率MOSFET。在PC上使用TPS2480/1 GUI 时,EVM还为I2C™电流监视器提供了USB接口。
评估模块的主要特性:
• 通用TPS2480/1器件的特性
– 可编程电流限制和功率限制,可以实现全面的SOA保护
– 可编程故障定时器,可以消除危险停机
– 可编程欠压锁闭
– 电源良好
– 锁存操作模式(TPS2480)
–自动重试模式(TPS2481)
• EVM配置选项
– TPS2481EVM-001(12V、480W和自动重试)
– TPS2480EVM-002(12V、480W和锁存)
– 高压应用(48V、400W、自动重试或锁存)
评估模块应用:
• 任意活性背板插入应用
– 服务器
– 电信
