GHz以上射频时钟分配技术的研究进展
2008-08-19
作者:韩丽萍,马润波,张文梅
摘 要: 介绍了传统的数字时钟分配" title="时钟分配">时钟分配技术;详细叙述了基于导波的射频时钟分配" title="射频时钟分配">射频时钟分配技术以及无线射频时钟分配技术;讨论了射频时钟分配技术存在的问题和发展前景。
关键词: 功率消耗 信号完整性 导波 无线互连 射频时钟分配
根据半导体工业协会的预测,2013年芯片级时钟频率将超过10GHz,板级" title="板级">板级、系统级时钟频率将超过5GHz。传统的数字时钟" title="数字时钟">数字时钟分配技术在GHz频率以上工作时,将表现出明显的缺陷[1]。一方面,电子器件间互连线的传输特性将严重破坏信号的完整性;另一方面,互连线的信号损耗将导致严重的功率消耗。为了克服传统数字时钟分配技术的限制,国外学者提出光互连和射频互连时钟分配技术。
光互连、射频互连均分为两种情形,基于导波的时钟分配技术以及基于无线互连的时钟分配技术。光时钟分配技术的主要优点是时钟偏差极小、抖动小、开关功率小,且电磁干扰可以忽略,但其成本昂贵、体积笨重及封装复杂等缺点大大限制了它的应用。对于基于导波的射频时钟分配技术,其时钟分配网络H树的互连线由微带线构成,可以减少时钟相位偏差,降低时钟分配网络的功率消耗。然而由于无线射频时钟分配技术取消了时钟分配网络,因此大大减少了时钟相位偏差,降低了功率消耗。
射频时钟分配技术既克服了传统数字时钟分配技术的限制,又解决了光时钟分配技术在经济性、小型化等方面的难题,非常适合高频时钟信号" title="时钟信号">时钟信号的分配。本文介绍了基于导波的射频时钟分配技术和无线射频时钟分配技术。
传统的数字时钟分配
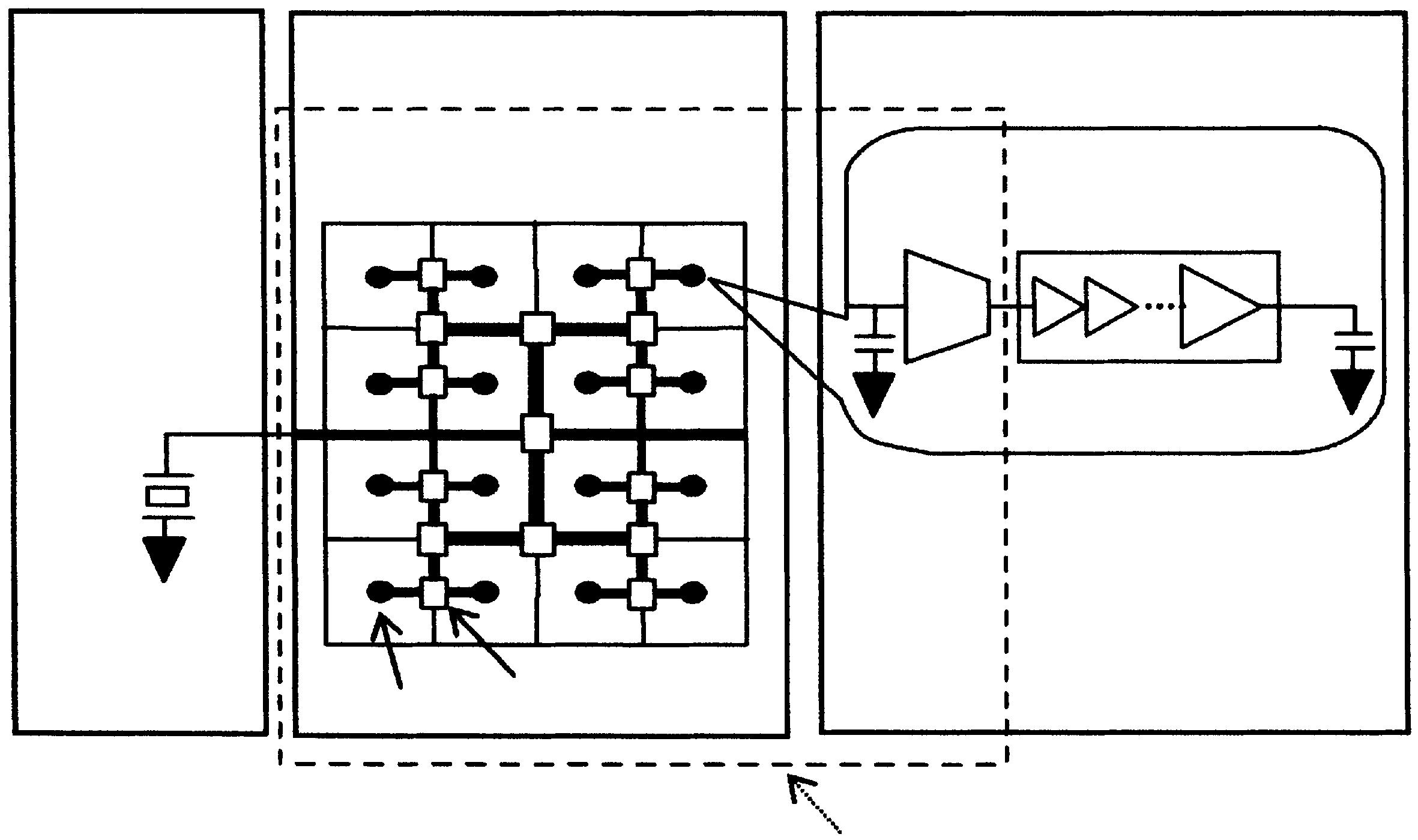
传统的数字时钟分配技术中,时钟分配网络H树的互连线由金属线构成,图1为一个具有32输出端的H树示意图。
图1 H时钟分配网络
H树的一个显著优点是时钟驱动器与分枝末端任一个时钟分配点的距离相等,但是实际设计H树时还需要考虑诸如驱动能力、时钟相位偏差、终端匹配及回转率等问题,并做出相应的优化设计。复杂的高频数字系统一般都采用专用的时钟分配芯片来实现时钟分配,如Analog Device公司的AD951X时钟分配器、Lattice公司的ispClock5300S时钟分配器,本质上都属于有线连接。
在传统的数字时钟分配技术中,时钟分配线在驱动时钟分配网络时需消耗较大的功率。对于1GHz频率的时钟信号,具有1024个输出端的时钟分配网络,时钟发送机到所有时钟接收机的路径总长度为45米,网络驱动功率约为30瓦。另外,互连线表现出的畸变特性将导致时钟信号脉冲产生波形变化,较差的信号完整性使得脉冲信号失真从而产生定时错误,引起系统错误工作,甚至有可能出现系统崩溃现象。
基于导波的射频时钟分配
随着时钟信号频率的提高,时钟分配系统中的功率消耗、时钟相位偏差及定时抖动问题越来越严重,这些都将成为决定高性能数字系统,尤其是多处理器数字系统处理速度的主要因素。高频时钟信号的分配采用射频技术,不仅可以减少网络驱动功率,而且可以解决时钟相位偏差、延迟等问题,从而保证信号完整性,提高数字系统的性能和处理速度。
基于导波的射频时钟分配技术中,射频时钟分配网络H树的互连线使用微带线或嵌入式带线,高频时钟信号以导行波形式在波导中传送。无论是芯片级射频时钟分配还是板级或是系统级射频时钟分配,射频时钟分配系统均由射频时钟发射机、射频时钟网络以及射频时钟接收机三部分组成,下面以板级射频时钟分配系统为例加以说明,参见图2。
图2 极板射频时钟分配
射频时钟发射机可以采用射频振荡器或压控振荡器产生射频时钟信号,也可以采用具有数字/射频转换功能的射频滤波器作为板上时钟发生器,还可以采用具有光/射频转换功能的光电监测器作为板上时钟发生器;射频时钟网络H树的互连线采用微带结构或嵌入式带线结构传输线,H树的连接耦合器采用平面功率分配器—Wilkinson功率分配器/耦合器,输入射频时钟信号分为两路功率和相位都相等的输出射频时钟信号;射频时钟接收芯片含有射频放大器和驱动器,而且射频放大器内部集成有射频/数字转换模块,转换后的数字时钟信号可以作为芯片内锁相环驱动电路的输入信号,也可以作为芯片内时钟驱动器的输入信号。
韩国高级科技研究院学者Ryu提出低功率、高性能数字系统的板级射频时钟分配方法[2],并用惠普公司的仿真软件HP Advanced Design System进行了仿真。仿真结果表明,与传统的数字时钟分配技术相比,射频时钟分配技术网络驱动功率低、传输线损失小且射频/数字转换效率高,适用于时钟频率在0.2GHz~10GHz、互连长度在10cm~3m范围的板级或系统级高频时钟信号的分配。
无线射频时钟分配
集成电路技术的发展,逐步提高了微处理器的工作频率以及数字系统的性能,对于GHz频率以上高频时钟信号的分配,传统时钟分配技术的时钟相位偏差、抖动问题越来越突出,严重影响着数字处理器乃至数字系统的工作速度。国际上许多学者提出了无线射频时钟分配技术,其功率损耗小、信号完整性好,非常适合GHz以上时钟信号的分配。
无线射频时钟分配技术中,高频时钟信号是通过集成天线在一个芯片内或在多个芯片间通信。射频时钟信号由集成电路芯片产生时,时钟分配属于芯片级射频时钟分配,反之属于板级/系统级射频时钟分配。
芯片级射频时钟分配
芯片级射频时钟分配系统通过发送、接收天线间的微波信号传送高频时钟信号。为了提高系统的抗噪声能力,同时降低所需的天线尺寸,通常先在发端产生较高频率的时钟信号,然后在收端分频成所需要的时钟信号。
系统组成
芯片级无线射频时钟分配系统如图3所示,其中TX表示时钟发射机,RX表示时钟接收机。集成电路芯片首先产生比局部时钟信号频率更高的全局时钟信号,然后通过发射天线发射;芯片上的时钟接收机利用天线检测发送全局时钟信号,再分频成局部时钟信号后送给邻近电路。
图3 芯片级射频时钟分配
射频时钟发射机由三部分组成,如图4(a)所示。对于需提供2GHz频率时钟信号的芯片,压控振荡器先产生一个频率为12GHz的全局时钟信号,经两级输出放大后送发射天线。为了提供稳定的时钟频率,并且降低时钟信号的抖动,用锁相技术将压控振荡器锁定到一个外部参考频率,同时要求压控振荡器具有较低的相位噪声。
射频时钟接收机由四部分组成,如图4(b)所示。接收天线接收到的全局时钟信号首先经过低噪声放大器放大,然后通过分频器分频成2GHz频率的局部时钟信号,最后经过缓冲器缓冲后分配到邻近电路。为了减少干扰和噪声,要求低噪声放大器工作在全局时钟信号频率;为了减少输入端的平衡/非平衡转换,接收机采用抑制共模噪声(衬底噪声)的全差分结构。
图4 射频时钟发射机、接收机框图
片上天线
集成天线是无线射频时钟分配系统的重要组成部分,其增益是决定无线互连技术可行性的关键因素。集成电路芯片上发送天线、接收天线均受芯片尺寸的限制,为了减少天线尺寸、提高辐射效率,片上天线通常工作在较高的频率范围。美国、加拿大、中国台湾地区以及新加坡学者先后设计了射频时钟分配系统的片上天线,可分别应用于不同工作频率、不同互连长度情形下射频时钟信号的分配[3]。
目前,片上天线多采用直线形、锯齿形和矩形结构,图5(a)、(b)、(c)分别为直线形、锯齿形、矩形双极天线结构示意图。
天线的衬底结构、金属厚度以及封装技术都将会影响其传输增益。对于衬底结构、金属厚度、封装技术以及尺寸均相同的双极型天线,锯齿形、矩形天线比直线形天线能更有效地辐射能量,可以获得较高的增益。
图5 双级性天线结构
典型系统
GHz以上时钟信号分配采用无线射频时钟分配技术,不仅可以降低功率消耗,而且可以减少时钟相位偏差,进一步保证信号完整性。
美国学者Floyd提出15GHZ频率的芯片级射频时钟分配方法[4],可以实现3mm~5.6mm的无线互连。新加坡学者Zheng设计的芯片级射频数据通信系统[5],也适用芯片级射频时钟信号的分配。
板级/系统级无线射频时钟分配
目前,微处理器工作频率及数字系统性能都随着集成电路技术的发展不断提高。传统的数字时钟分配技术表现出极差的信号完整性,不再适宜印刷电路板上集成电路芯片间的时钟信号分配。具有功率消耗小、信号完整性好的无线互连时钟分配技术是当前的最佳选择。
板级/系统级射频时钟分配系统,由片外射频时钟发射机和片上射频时钟接收机两部分组成。典型的板级射频时钟分配系统如图6所示。
图6 板级射频时钟分配
片外时钟发射机首先产生15GHz的全局时钟信号(频率为局部时钟信号频率的8倍),然后通过抛物面天线发射;分布在印刷电路板(PCB)或多芯片模块(MCM)上的时钟接收机先用接收天线检测发送的全局时钟信号,经过低噪声放大器放大后,同步分频成1.875GHz的局部时钟信号。采用片外时钟发射机使得所有接收机能够接收到幅度、相位均相等的全局时钟信号,可以减少因幅度、相位不匹配引起的时钟相位偏差,进而保证信号完整性[6]。
美国学者Floyd首先提出了15GHz的板级射频时钟分配方法[7],可实现5.6mm的无线互连。美国学者Chang设计的板级射频数据通信系统[8],也可以应用于板级高频时钟信号的分配。
国际学者的研究结果表明,GHz以上时钟信号的分配适宜采用无线射频时钟分配技术,尤其是高数据速率、大量输出端情形更能体现出无线时钟分配系统的优越性。
结论
时钟频率为0.2GHz-10GHz的高速数字系统,时钟分配已步入射频互连阶段。国际学者的仿真结果表明,对于基于导波的射频时钟分配技术,GHz射频时钟分配系统时钟相位偏差、抖动可以忽略,5GHz以下板级信号完整性及10GHz以下系统级信号完整性问题并不严重;对于无线射频时钟分配技术,利用无线互连技术分配高频时钟信号,不仅减少了功率消耗,而且保证了信号的完整性;使用先进的CMOS技术可以提高工作频率,从而改善天线性能,进一步增加互连距离。只是GHz以上射频时钟分配系统会引起严重散射,所以有必要使用屏蔽金属盒或者采用嵌入式设计。当然,电磁干扰、封装效应、电磁波散射以及数据通信等问题都有待进一步的研究[9-12]。
无线互连技术不仅可以传输时钟信号,而且可以传输数据信号,二者的不同之处仅在于无线数据通信需要一种调制机制。因此,无线时钟分配技术是评价无线互连可能性的本质性开端,是进而发展无线互连系统的关键部分。而且,无线互连技术除了应用于高性能的数字系统外,还可应用在通信、雷达等其他系统中。
参考文献
[1] DAVIS J A.Interconnect limits on gigascale integration(GSI) in the 21st century[J].Proc IEEE,2001,89(3): 305-324.
[2] RYU W,KIM H,AHN S,et al.RF interconnect for multi-Gbit/sec board-level clock distri-bution[A]. IEEE Conference on Electrical Performance of Electronic Packaging[C]. San Diego,USA,1999.33-36.
[3] KIM K,O K K.Characteristics of integrated dipole antennas on bulk,SOI,and SOS substrates for wireless communication[A].Proceedings of the IITC[C].San Francisco,CA,1998. 21-23.
[4] FLOYD B A,HUNG C M,O K K. Intra-chip wireless interconnect for clock distribution implemented with integrated antennas,receivers,and transmitters[J].IEEE on Solid-State Circuits,2002,37(5):543-552.
[5] YUAN Jin Zheng,YUE Ping Zhang,Yan Tong.A novel wireless interconnect technology using impulse radio for interchip communications[J].IEEE Trans on Microwave Theory and Techniques,2006,54(4):1912- 1920.
[6] BOMSTAD W,O K K.Phase and amplitude distribution measurements using a compact test range applicable to wireless clock distribution[A].Proceedings of the IEEE International Antennas and Propagation Society Symposium[C].San Antonio,TX,2002.726-729.
[7] FLOYD B A,Xiao-Ling Guo, CASERTA J,et al.Wireless interconnects for clock distribution[A].Pro of the 8th ACM/IEEE international workshop on Timing issues in the specification and synthesis of digital systems[C].Monterey,California,USA,2002.105-108.
[8] CHANG M F,ROYCHOWDHURY V P,ZHANG L,et al.RF/wireless interconnect for inter- and intra-chip communi-cation[J],Proc IEEE,2001,89(4):456-466.
[9] YOON H,KIM K,O K K.Interference effects on integrated dipole antennas by a metal cover for an inte- grated circuit package[A].Proceedings of the IEEE International Antennas and Propagation Society Symposium[C]. Salt Lake City,UT,2000.782-785.
[10] RYU W,YIM M J,PAIK K W,et al.Anisotropic conductive film(ACF) flip-chip interconnect in over GHz RF clock distribution system[A].Proceedings of the IEEE International Adhesive Joining and Coating Technology[C].Helsinki,Finland,2000. 153-158.
[11] CHANDRA G,KAPUR P,SAR- ASWAT K C.Scaling trends for the on chip power dissipation[A].Proceedings of the IEEE 2002 International Interconnect Technology Con-ference[C].San Francisco,CA,2002. 170-172.
[12] YUE Ping Zhang.Bit-error-rate performance of intra-chip wireless interconnect systems[J].IEEE Communications Letter,2004,8(1):39-41.
